
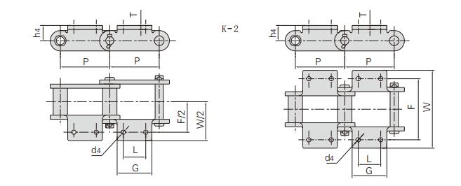
| Chain No. | P | L | G max | F | W max | h4 | d4 | T |
| mm | mm | mm | mm | mm | mm | mm | mm | |
| SS102B | 101.60 | 44.50 | 69.9 | 134.90 | 180.80 | 25.40 | 10.20 | 9.7 |
| SS110 | 152.40 | 44.50 | 89.6 | 134.90 | 180.80 | 25.40 | 10.20 | 9.7 |
| SS111 | 120.90 | 58.70 | 92.7 | 158.80 | 210.80 | 38.10 | 13.50 | 9.7 |
| SS131 | 78.11 | 38.10 | 73.9 | 104.60 | 157.00 | 25.40 | 13.50 | 9.7 |
| SS150 | 153.67 | 69.90 | 108.7 | 190.50 | 249.40 | 47.80 | 13.50 | 12.7 |
| SS188 | 66.27 | 31.80 | 54.6 | 106.40 | 131.60 | 20.60 | 8.60 | 6.4 |
Our Services
1. Any of your kind inquiry conveyor chains would be replied within 24 hours.
2. Well-trained and experienced sales staff will reply all your concerns in fluent English.
3. OEM services are available with us, our professional designer would make your private idea into being.
4. Protection of your sales area, ideas of design and all your private information.
5. Delivery by airmail or ship for your orders.
6. With years of manufacture and promotion experience in global market, brings you profit and great success!