Chaîne de convoyeur à racleur robuste WH124-W381 pour convoyeurs d'oléagineux
La chaîne de convoyeur à raclettes SHINING WH124-W381 est une chaîne soudée robuste conçue pour la manutention des oléagineux dans les convoyeurs à chaîne et les systèmes d'alimentation de silos. Elle se caractérise par une haute résistance à la traction, des composants en alliage traités thermiquement avec précision et des plaques d'usure à faible friction, garantissant un fonctionnement durable et fiable avec des matières premières comme le colza et le soja. Compatible avec les standards industriels, elle permet des mises à niveau faciles pour optimiser la disponibilité et le retour sur investissement des installations de transformation. Pour les produits non standard, la quantité minimale de commande est de 100 pieds.
Aperçu
LeBRILLANTLa chaîne WH124-W381 est une chaîne de convoyeur à raclettes haute performance, conçue pour le transport horizontal et légèrement incliné de graines oléagineuses. Idéale pour un fonctionnement continu sous forte charge dans les convoyeurs à raclettes, les systèmes d'alimentation de silos et les convoyeurs d'usines de transformation, elle offre une résistance à la traction élevée, une résistance à l'usure supérieure et un fonctionnement fluide et fiable. Ses composants intégrés haute performance à faible friction minimisent l'abrasion et la dégradation du matériau, garantissant une durée de vie prolongée et une disponibilité maximale dans les environnements critiques de manutention des graines oléagineuses.
Caractéristiques
Haute résistance à la traction pour le transport continu et intensif de matériaux denses.
Composants en acier allié traité thermiquement avec précision pour une durabilité et une résistance aux chocs accrues.
Plaques d'usure haute performance à faible friction pour réduire la résistance opérationnelle et protéger les graines oléagineuses délicates des dommages.
Assemblage boulonné robuste pour un montage sécurisé, un entretien facile et une intégrité structurelle élevée.
Conception de charnière étudiée pour une articulation fluide et sans blocage sous charge.
Une précision dimensionnelle rigoureuse garantit des performances constantes et une intégration parfaite.
Options de traitement ou de revêtement anticorrosion pour une durée de vie prolongée dans diverses conditions d'usine.
Compatibilité d'interface standard pour un remplacement et des mises à niveau système simples et rapides.
Applications principales
Convoyeurs à chaîne pour oléagineux et systèmes d'alimentation de silos.
Lignes de convoyage horizontales et légèrement inclinées dans les usines de broyage et d'extraction d'oléagineux.
Manutention en vrac des oléagineux et des tourteaux dérivés dans les installations de transformation.
Convient au transport de graines oléagineuses telles que le colza, les graines de tournesol et le soja.
Caractéristiques
Modèle:WH124-W381
Type de chaîne :Chaîne soudée de convoyeur à racleur robuste
Attache/Style :W381 (avec racleur intégré)
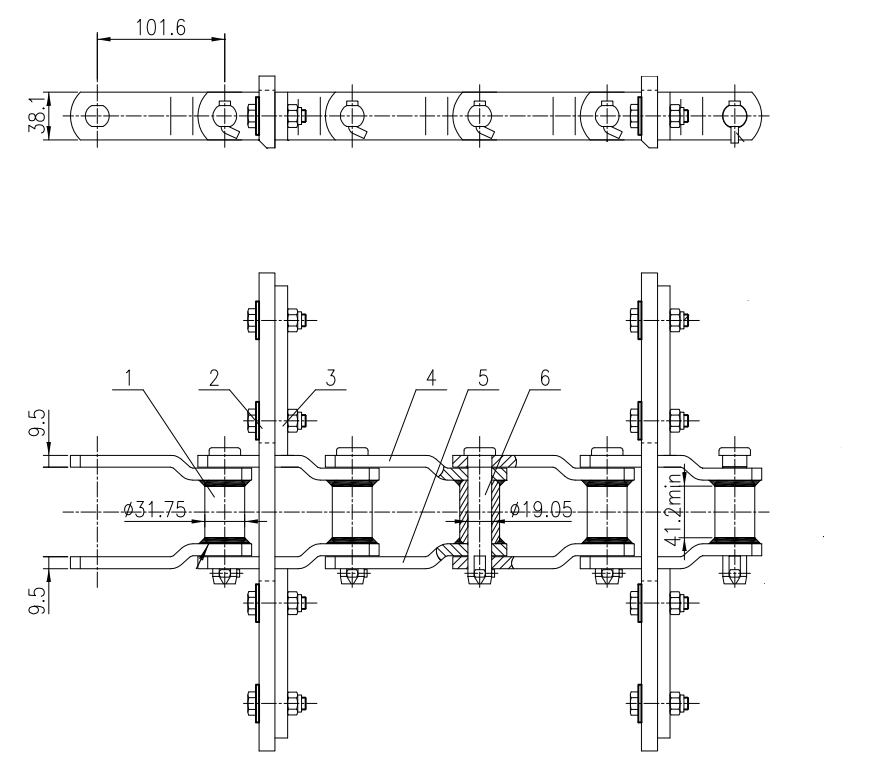
Pas de chaîne :101,6 mm
Résistance à la traction ultime (UTS) :280 kN
Configuration:Assemblage monobrin avec plaques d'usure haute performance à intervalles réguliers.
Connexion:Construction robuste boulonnée.
Compatibilité:Conçu pour les dimensions d'interface standard de l'industrie.
Spécifications des composants clés (typiques des séries robustes) :
Contenu de la barre latérale :Acier allié haute résistance traité thermiquement.
Épaisseur de la barre latérale :9,5 mm
Hauteur de la barre latérale :38,1 mm
Largeur intérieure de la plaque de chaîne :41,2 mm
Diamètre et traitement des broches :19,05 mm, fabriqué en acier allié avecDurcissement de surface avancé.
Diamètre et traitement de la bague :31,75 mm, fabriqué en acier allié cémenté.
Matériau de la plaque raclante :UHMW ou autre polymère technique adapté au contact avec les graines oléagineuses.
Fixations :Boulons et écrous de haute qualité.

Service et assistance
SHINING propose une assistance technique complète, de l'analyse d'application et du choix de la chaîne jusqu'au service après-vente. Nos experts optimisent les spécifications de votre chaîne pour la manutention des oléagineux afin de maximiser les performances, la durée de vie et le retour sur investissement.
Contactez-nous dès aujourd'hui pour vos solutions de convoyage :
Prêt à discuter de vos besoins pour votre projet ? Envoyez un e-mail à notre équipe commerciale avec vos plans ou exigences àventes@shiningco.com.