Kereste zincirleri, odun, kereste ve kütüklerin taşınması ve işlenmesi sırasında büyük güç ve dayanıklılık sağlar.SHINING, 81X, 81XH ve 81XHH zincirleri sunmaktadır. Ormancılık, kereste fabrikası ve kağıt fabrikası sektörlerindeki zengin üretim deneyimimiz, müşterilerimizin güvenini kazanmamızı sağlamıştır.
Uygulamalar:
Kereste Konveyörleri
İstifleyiciler
Transfer Konveyörleri

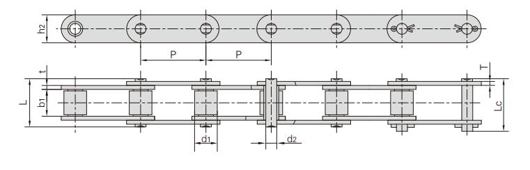
Zincir No. | Saha | Silindir çapı | İç plakalar arasındaki genişlik | Pim çapı | İğne uzunluğu | |
P | d1 maks. | b1 dakika | d2 maks. | L | Lc | |
mm | mm | mm | mm | mm | mm | |
81X | 66.27 | 23.00 | 27.00 | 11.10 | 49.0 | 53.5 |
81XH | 66.27 | 23.00 | 27.78 | 11.10 | 60.7 | 65.1 |
81XHH | 66.27 | 23.00 | 27.78 | 11.10 | 65.6 | 70.0 |
Zincir No. | İç plaka derinliği | Plaka kalınlığı | Çekme dayanımı | Ortalama Çekme dayanımı | Metre başına ağırlık |
h2 maks | t/T maks. | Q dakika | Qo | Q | |
mm | mm | kN/lbf | kN | Kg/m | |
81X | 28.50 | 4.00 | 106.7/2450 | 128.9 | 3.78 |
81XH | 31.35 | 7.5/5.55 | 151.9/34523 | 175.7 | 5.88 |
81XHH | 31.35 | 7.5 | 191.1/43432 | 212.6 | 6.70 |