De SHINING WHX132-W762 is een hoogwaardige, zwaar uitgevoerde, gelaste schraperketting voor veeleisende graantransporttoepassingen. Met een steek van 153,67 mm, een treksterkte van 400 kN en een grotere W762-schraper biedt deze ketting een hoge sterkte en een verhoogde doorvoer. Als geavanceerde ketting uit de WHX-serie biedt deze superieure duurzaamheid en prestaties ten opzichte van standaard gelaste kettingen voor zware toepassingen in sleepbandtransporteurs en silosystemen, waardoor betrouwbaar transport van grote volumes granen zoals tarwe en maïs wordt gegarandeerd. Voor niet-standaard producten geldt een minimale afnamehoeveelheid van 100 ft.
Overzicht
DeGLANZENDDe WHX132-W762 vertegenwoordigt het geavanceerde niveau binnen SHINING's assortiment.Gelaste kettingenProductlijn, ontworpen voor de meest veeleisende horizontale en licht hellende transporten van bulkgranen. Als premium productzwaar uitgevoerde gelaste transportkettingHet is ontworpen voor superieure prestaties in graantransportbanden met hoge capaciteit en silo-toevoersystemen onder extreme belastingen. Het biedt uitzonderlijke treksterkte, een langere levensduur en een betrouwbare, soepele werking om de productiviteit en transportcapaciteit in de meest intensieve graanverwerkingsinstallaties te maximaliseren.
Functies
Hoogwaardige gelaste kettingconstructie:Als onderdeel van SHINING's hoogwaardige prestatiesgelaste kettingenHet biedt een robuuste, nauwkeurig gelaste constructie voor de meest extreme omstandigheden en vormt daarmee een verbetering binnen de categorie gelaste kettingen.
Hogere uiteindelijke treksterkte:Met een nominale treksterkte (Ultimate Tensile Strength, UTS) van400 kNHet is ontworpen om extreme belastingen en spanningen te weerstaan in de meest veeleisende transporttoepassingen met hoge capaciteit.
Groter schraperoppervlak:Het W762-model hulpstuk is voorzien van een schraper mettoegenomen lengte en breedtewaardoor een groter contactoppervlak ontstaat om meer materiaal per cyclus te verplaatsen.
Verhoogde transportcapaciteit:De combinatie van een hogere kettingsterkte (400 kN treksterkte) en een groter schraperontwerp maakt het mogelijkhogere materiaaldoorvoer per tijdseenheidwaardoor de algehele systeemefficiëntie en -output worden verhoogd.
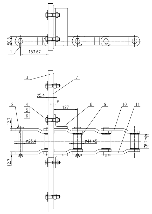
Hoge treksterkte en grote spoed:Ontworpen voor een hoog draagvermogen, met de volgende kenmerken:153,67 mm (6,05") steekvoor stabiel materiaaltransport met grote volumes.
Precisie-gefabriceerde componenten:Maakt gebruik van warmtebehandelde gelegeerde stalen zijstangen, pinnen en bussen voor maximale duurzaamheid, slagvastheid en een langere levensduur.
Geïntegreerd schraperontwerp:Het W762-aanbouwdeel met hoogwaardige, wrijvingsarme slijtplaten zorgt voor een efficiënte materiaalverplaatsing en minimaliseert tegelijkertijd korrelbeschadiging en operationele weerstand.
Zware aansluiting:De veilige boutverbinding garandeert structurele integriteit, vergemakkelijkt onderhoud en zorgt voor betrouwbare prestaties onder continue zware belasting.
Compatibiliteit met industriestandaarden:Ontworpen voor naadloze integratie en directe vervanging in bestaande transportsystemen, waardoor de stilstandtijd na de aanpassing tot een minimum wordt beperkt.
Primaire toepassingen
Zware graantransportbanden en silo-toevoersystemen met hoge capaciteit.
Horizontale en licht hellende transportlijnen in grootschalige graanterminals, veevoederfabrieken en meelfabrieken.
Bulkverwerking van schurende granen zoals tarwe, maïs, sojabonen en gerst.
Toepassingen die een hogere kettingsterkte, grotere doorvoer en langere levensduur vereisen dan standaard gelaste kettingen bieden.
Specificaties
Model:WHX132-W762
Kettingtype:Zware schrapertransportketting (gelaste ketting)
Serie:WHX (Advanced Welded Chain Series)
Bijlage/Stijl:W762 (met geïntegreerde schraper)
Steek van de ketting:153,67 mm
Uiteindelijke treksterkte (UTS):400 kN
Configuratie:Enkelstrengs assemblage met geïntegreerde schraperplaten.
Verbinding:Robuuste constructie met boutverbindingen.
Verenigbaarheid:Ontworpen voor de gangbare interfaceafmetingen in de industrie.
Specificaties van de belangrijkste componenten (typisch voor de Heavy-Duty-serie):
Zijbalkmateriaal:Hoogwaardig, warmtebehandeld gelegeerd staal.
Dikte van de zijbalk:12,7 mm
Hoogte zijbalk:50,8 mm
Binnenbreedte van de kettingplaat:76,2 mm
Diameter en behandeling van de pinnen:25,4 mm, vervaardigd uit gelegeerd staal met geavanceerde oppervlakteharding.
Diameter en behandeling van de bus:44,45 mm, vervaardigd uit gehard gelegeerd staal.
Materiaal van de schraperplaat:UHMW of een ander technisch polymeer dat geschikt is voor contact met oliehoudende zaden.
Bevestigingsmiddelen:Bouten en moeren van hoge kwaliteit.
Belangrijkste verschillen met de WH-serie (bijv. WH124):
Prestatieniveau:De WHX132 is eengeavanceerde, hoogwaardige gelaste kettingBinnen dezelfde productcategorie, ontworpen voor zwaardere toepassingen, hogere belastbaarheid en een grotere doorvoer in vergelijking met de standaard WH-serie.
Ontwerp en prestaties:Het product is voorzien van robuustere componenten en is ontworpen voor een aanzienlijk hogere uiteindelijke treksterkte (400 kN versus 280 kN), een groter schraperoppervlak en een langere levensduur.
Toepassingsgebied:Geoptimaliseerd voor de meest veeleisende toepassingen met hoge capaciteit en zware slijtage in de graanverwerking, waar een maximale levensduur van de apparatuur, minimale stilstandtijd en een hogere doorvoer cruciaal zijn.

Service en ondersteuning
SHINING biedt volledige technische ondersteuning gedurende de gehele levenscyclus. Onze experts kunnen u helpen bij het specificeren van de optimale oplossing met gelaste kettingen – of het nu de standaard WH-serie of de geavanceerde WHX-serie betreft – voor uw specifieke graanverwerkingssysteem, om de prestaties en het rendement op uw investering te maximaliseren.
Neem vandaag nog contact met ons op voor uw transportbandoplossingen:
Bent u klaar om uw projectbehoeften te bespreken? Stuur uw tekeningen of specificaties per e-mail naar ons verkoopteam.sales@shiningco.com.









